产品概述
型 号:NBKVD643(H、Y、F)-16、25、40
公称通径:DN50~800
公称压力:1.6~4.0MPa
使用温度:-40℃~550℃
气动法兰式硬密封蝶阀采用三偏心多层次金属密封结构,无机械磨损,可达到零泄漏,有优良的双向密封功能,是用于石油、化工、冶金、电力、食品、医药、给排水、气体输送等不同介质的管路上作调节流量、截断或接通流体的装置。
选用不同的材质,可分别适用于水、污水、海水、空气、蒸汽、煤气、可燃气体、腐蚀性介质、油品及食品等介质,最高工作温度可达600℃。
产品特点
1 、体积小、重量轻、具有优良的切断性能。
2 、蝶板密封面设计成相对蝶板轴心为一斜截圆锥面,使得蝶板密封面与阀座密封面有一定的接触角,这个接触角均匀地围绕其圆周面相等于一个细长的楔形,并且蝶板圆周纵向处的密封线呈一准椭圆形曲线,两者同时起着密封的补偿作用。
3 、蝶板密封面在关闭状态下,受力均匀,承压能力高;蝶板在开启过程中,密封面各点同时完成脱离阀座密封面的动作,无挤卡现象,基本无摩擦,开启力矩极小。因此,成本低,密封性能好,寿命长。
4 、各种密封结构供选择,保证使用寿命及可靠性。蝶阀密封圈有整体式软密封(PTFE , C-TFE , G-TFE )、硬化金属片式、整体式+硬质合金,适用于各种工况。
5 、能实现双向密封功能,既可以调节,又具有切断功能。
6 、执行机构低摩擦力、工作效率高、推力大、安全性好。
7 、执行机构灵巧型、组合型(手动机构)的设计,可保证各方向的随意安装以及灵活控制。
8 、简捷醒目、可靠一体化的行程指示及限位开关和电磁阀的组合安装、无外接管路、减少泄漏点。
9、多种执行机构形式供选择、满足不同用户要求。
10 、装配维修方便,具有优越的性能价格比。
技术参数
| 公称通径DN(mm) | 50-1200 |
| 公称压力PN(Mpa) | 1.6 | 2.5 | 4.0 |
| 公称压力(Mpa) | 强度试验 | 2.4 | 3.75 | 6.0 |
| 密封试验 | 1.76 | 2.75 | 4.4 |
| 材料\材料代号 | C | P | R |
| 主要零件 | 阀体 | WCB | ZG1Cr18Ni9Ti | ZG0Cr18Ni12Mo2Ti |
| 蝶板 | WCB | ZG1Cr18Ni9Ti | ZG0Cr18Ni12Mo2Ti |
| 阀杆 | 2Cr13 | 1Cr18Ni9Ti | 0Cr18Ni12Mo2Ti |
| 密封圈 | 四氟 不锈钢 |
| 填料 | 四氟 柔性石墨 |
| 适用工况 | 适用介质 | 水、蒸汽、油品 | 硝酸类 | 醋酸类 |
| 适用温度 | 碳钢:-29℃~425℃ 不锈钢:-40℃~550℃ |
| 执行器 | 型号 | GT系列、AT系列、AW系列 |
| 气源压力 | 0.4-0.7Mpa |
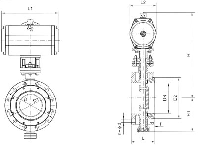
外形尺寸

主要外形及连接尺寸 NBKVD643(H、Y、F)-16(1.6MPpa)
| 公称通径 DN | 外形尺寸 | 连接尺寸 | 执行器型号 |
| L | L1 | L2 | H | H1 | D | D1 | D2 | f | n-φd |
| 50 | 108 | 164/214 | 75/91 | 277/205 | 65 | 165 | 125 | 99 | 3 | 4-φ18 | GTD65/GTE80 |
| 65 | 112 | 164/214 | 75/91 | 287/315 | 75 | 185 | 145 | 118 | 3 | 4-φ18 | GTD65/GTE80 |
| 80 | 114 | 190/246 | 91/101 | 365/375 | 85 | 200 | 160 | 132 | 3 | 8-φ18 | GTD80/GTE90 |
| 100 | 127 | 210/295 | 101/112 | 420/436 | 130 | 220 | 180 | 156 | 3 | 8-φ18 | GTD90/GTE100 |
| 125 | 140 | 247/398 | 112/139 | 436/462 | 175 | 250 | 210 | 184 | 3 | 8-φ18 | GTD100/GTE125 |
| 150 | 140 | 308/478 | 139/176 | 466/543 | 190 | 285 | 240 | 211 | 3 | 8-φ22 | GTD125/GTE160 |
| 200 | 152 | 378/724 | 176/228 | 593/665 | 215 | 340 | 295 | 266 | 3 | 12-φ22 | GTD160/GTE210 |
| 250 | 165 | 432/928 | 206/275 | 682/752 | 265 | 405 | 355 | 319 | 3 | 12-φ26 | GTD190/GTE255 |
| 300 | 178 | 524/928 | 228/275 | 725/772 | 305 | 460 | 410 | 370 | 4 | 12-φ26 | GTD210/GTE255 |
| 350 | 190 | 648/1033 | 275/324 | 832/880 | 340 | 520 | 480 | 429 | 4 | 16-φ26 | GTD255/GTE300 |
| 400 | 216 | 648/1129 | 275/380 | 862/968 | 360 | 580 | 525 | 480 | 4 | 16-φ30 | GTD255/GTE350 |
| 450 | 222 | 715/1845 | 324/527 | 945/1005 | 400 | 640 | 585 | 548 | 4 | 20-φ30 | GTD300/AW28S |
| 500 | 229 | 795/1845 | 380/527 | 1058/1060 | 430 | 715 | 650 | 609 | 4 | 20-φ33 | GTD350/AW28S |
| 600 | 267 | 795/2605 | 380/545 | 1108/1195 | 490 | 840 | 770 | 720 | 5 | 20-φ36 | GTD350/AW35S |
| 700 | 292 | 1380/2605 | 1170/1255 | 1170/1255 | 555 | 910 | 840 | 794 | 5 | 24-φ36 | AW28/AW35S |
| 800 | 318 | 1860/2605 | 1325/1365 | 1325/1365 | 620 | 1025 | 950 | 901 | 5 | 24-φ39 | AW35/AW40S |
注:数据XXX/XXX分别是气动执行器双作用式/单作用式<弹簧复位>。
根据不同的阀门扭矩,使用介质选配,不同的执行器型号,其相关尺寸随之变化。
GT系列气动执行器可配至DN600,AW系列气动执行器可配蝶阀至DN200--1600。
主要外形及连接尺寸主要外形及连接尺寸NBKVD643(H、Y、F)-25(2.5MPpa)
| 公称通径 DN | 外形尺寸 | 连接尺寸 | 执行器型号 |
| L | L1 | L2 | H | H1 | D | D1 | D2 | f | n-φd |
| 50 | 108 | 164/214 | 75/91 | 277/305 | 65 | 165 | 125 | 99 | 3 | 4-φ18 | GTD65/GTE80 |
| 65 | 112 | 164/214 | 75/91 | 287/325 | 75 | 185 | 145 | 118 | 3 | 8-φ18 | GTD65/GTE90 |
| 80 | 114 | 190/295 | 91/112 | 365/391 | 85 | 200 | 160 | 132 | 3 | 8-φ18 | GTD80/GTE100 |
| 100 | 127 | 210/340 | 101/127 | 420/457 | 130 | 235 | 190 | 156 | 3 | 8-φ22 | GTD90/GTE115 |
| 125 | 140 | 247/395 | 112/139 | 436/462 | 175 | 270 | 220 | 184 | 3 | 8-φ26 | GTD100/GTE125 |
| 150 | 140 | 308/438 | 139/176 | 466/543 | 190 | 300 | 250 | 211 | 3 | 8-φ26 | GTD125/GTE160 |
| 200 | 152 | 378/724 | 176/228 | 593/665 | 215 | 360 | 310 | 274 | 3 | 12-φ26 | GTD160/GTE210 |
| 250 | 165 | 432/928 | 206/275 | 682/752 | 265 | 425 | 370 | 330 | 3 | 12-φ30 | GTD190/GTE255 |
| 300 | 178 | 524/1033 | 228/324 | 702/820 | 305 | 485 | 430 | 389 | 4 | 16-φ30 | GTD210/GTE300 |
| 350 | 190 | 648/1129 | 275/380 | 832/938 | 340 | 555 | 490 | 448 | 4 | 16-φ33 | GTD255/GTE350 |
| 400 | 216 | 715/1129 | 324/380 | 910/968 | 360 | 620 | 550 | 503 | 4 | 16-φ36 | GTD300/GTE350 |
| 450 | 222 | 795/1845 | 380/527 | 1005/1010 | 400 | 670 | 640 | 548 | 4 | 20-φ36 | GTD350/AW28S |
| 500 | 229 | 795/1845 | 380/527 | 1058/1065 | 430 | 730 | 660 | 609 | 4 | 20-φ36 | GTD350/AW28S |
| 600 | 267 | 1380/2605 | 507/545 | 1110/1195 | 490 | 845 | 770 | 770 | 4 | 20-φ39 | AW28/AW35S |
| 700 | 292 | 1860/2605 | 545/545 | 1255/1295 | 555 | 960 | 875 | 875 | 5 | 24-φ42 | AW28/AW40S |
| 800 | 318 | 1860/2605 | 545/545 | 1325/1365 | 1085 | 1085 | 990 | 990 | 5 | 24-φ48 | AW35/AW40S |
主要外形及连接尺寸NBKVD643(H、Y、F)-40(4.0MPpa)
| 公称通径 DN | 外形尺寸 | 连接尺寸 | 执行器型号 |
| L | L1 | L2 | H | H1 | D | D1 | D2 | f | n-φd |
| 50 | 108 | 164/214 | 75/91 | 277/305 | 65 | 165 | 125 | 99 | 3 | 4-φ18 | GTD65/GTE80 |
| 65 | 112 | 190/295 | 91/112 | 310/341 | 75 | 185 | 145 | 118 | 3 | 8-φ18 | GTD80/GTE100 |
| 80 | 114 | 210/340 | 106/127 | 375/412 | 85 | 200 | 160 | 132 | 3 | 8-φ18 | GTD90/GTE115 |
| 100 | 127 | 247/398 | 139/176 | 436/462 | 130 | 235 | 190 | 156 | 3 | 8-φ22 | GTD100/GTE125 |
| 125 | 140 | 308/478 | 176/228 | 13 | 175 | 270 | 220 | 184 | 3 | 8-φ26 | GTD125/GTE160 |
| 150 | 140 | 378/724 | 228/324 | 543/615 | 190 | 300 | 250 | 211 | 3 | 8-φ26 | GTD160/GTE210 |
| 200 | 152 | 524/1030 | 275/380 | 665/760 | 215 | 375 | 320 | 284 | 3 | 12-φ26 | GTD210/GTE300 |
| 250 | 165 | 648/1129 | 324/460 | 752/858 | 265 | 450 | 385 | 315 | 3 | 12-φ33 | GTD255/GTE350 |
| 300 | 178 | 715/1129 | 380/460 | 820/880 | 305 | 515 | 450 | 409 | 4 | 16-φ33 | GTD300/AW28S |
| 350 | 190 | 795/1845 | 460/545 | 938/940 | 340 | 580 | 610 | 465 | 4 | 16-φ36 | GTD350/AW28S |
| 400 | 216 | 715/1129 | 380/527 | 970/1055 | 360 | 660 | 585 | 535 | 4 | 16-φ39 | AW28/AW35S |
| 450 | 222 | 1380/2605 | 545/545 | 1005/1090 | 400 | 685 | 610 | 560 | 4 | 20-φ39 | AW28/AW35S |
| 500 | 229 | 1860/2605 | 545/545 | 1145/1185 | 430 | 755 | 670 | 615 | 4 | 20-φ42 | AW35/AW40S |
| 600 | 267 | 1860/2605 | 545/545 | 1195/1235 | 490 | 890 | 795 | 735 | 4 | 20-φ48 | AW35/AW40S, , |