主要用途
本阀采用双作用气缸,利用上腔进气或者下腔进气来远距离控制阀门,操作方便、灵活。气缸使用介质:压缩空气,氮气。结构简单、制造和维护方便;工作行程小,启闭时间短;关闭体(阀瓣)与阀座密封面采用锥面密封,关闭力小,耐冲刷,密封可靠。阀座可为更换式阀座,可任意组合与关闭件密封面材料的配对,以满足工况要求,延长使用寿命。
应用规范
| 设计与制造 | GB/T12235 |
| 连接端尺寸 | 结构长度 | GB/T12221 |
| 法兰尺寸 | JB/T79 |
| 检验与试验 | JB/T9092 |
| 材 料 | 碳钢 | GB/T12229 |
| 不锈钢 | GB/T12230 |
| 合金钢 | Q/ZB66 |
| 标 志 | GB/T12220 |
| 供 货 | JB/T7928 |

结构特点
1、结构合理,造型美观。
2、阀瓣、阀座密封面采用铁基合金堆焊或司太立(Stellite)钴基硬质合金堆焊而成,耐磨、耐高温、耐腐蚀、抗擦伤性能好,使用寿命长。
3、阀杆经调质及表面氮化处理,有良好的抗腐蚀性和抗擦伤性。
4、可采用各种配管法兰标准及法兰密封面型式,满足各种工程需要及用户要求。
5、阀体材料品种齐全,填料、垫片可根据实际工况或用户要求合理选配,能适用于各种压力、温度及介质工况。
6、倒密封采用螺纹连接密封座或本体堆焊奥氏体不锈钢而成,密封可靠,更换填料可在不停机情况下进行,方便快捷,不影响系统运行。
主要零件材料及主要用途
| 阀体 | 阀盖 | 阀瓣 | 密封圈 | 阀杆 | 填料 | 适用介质 | 适用温度 (≤℃) |
| WCB | WCB+D507MO | D577 | 2Crl3 | 柔性石墨 | 水、油品、蒸汽 | 425 |
| ZGlCrl8Ni9Ti | 0Crl8Ni9Ti Stellite12 | Stellite6 | lCrl8Ni9Ti | PTFE | 硝酸类 | 200 |
| ZGlCrl8Ni2Mo2Ti | CF8M Stellite12 | lCrl8Ni2Mo2Ti | lCrl8Ni2Mo2Ti | PTFE | 磷酸类、 碱类、混酸 | 200 |
| ZG00Crl7Nil4M02 | CF3M Stellite12 | Stel1ite6 | 316L | PTFE | 磷酸类、 尿素、甲铵液 | 200 |
| ZGlCr5MO | ZGlCr5MO Stellite12 | Stel1ite6 | 25Cr2Mo1VA | 柔性石墨 | 水、油品、蒸汽 | 550 |
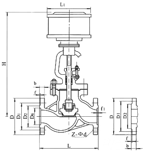
主要外形尺寸、连接尺寸及质量
公称压力 PN(MPa) | 公称通径 DN(mm) | 标准值 | 参考值 |
| L | D | D1 | n2 | D6 | b | f | f1 | Z-φd | L1 | H |
| 1.6 | 50 | 230 | 160 | 125 | 100 | | 16 | 3 | | 4-φ18 | 185 | 645 |
| 65 | 290 | 180 | 145 | 120 | | 18 | 3 | | 4-φ18 | 232 | 690 |
| 80 | 310 | 195 | 160 | 135 | | 20 | 3 | | 8-φ18 | 232 | 715 |
| 100 | 350 | 215 | 180 | 155 | | 20 | 3 | | 8-φ18 | 232 | 770 |
| 125 | 400 | 254 | 210 | 185 | | 22 | 3 | | 8-φ18 | 283 | 780 |
| 150 | 480 | 280 | 240 | 210 | | 24 | 3 | | 8-φ23 | 283 | 810 |
| 200 | 600 | 335 | 295 | 265 | | 26 | 3 | | 12-φ23 | 283 | 967 |
| 250 | 622 | 405 | 355 | 320 | | 30 | 3 | | 12-φ25 | 283 | 1143 |
| 300 | 698 | 460 | 410 | 375 | | 30 | 4 | | 12-φ25 | 283 | 1292 |
| 2.5 | 50 | 230 | 160 | 125 | 100 | | 20 | 3 | | 4-φ18 | 185 | 645 |
| 65 | 290 | 180 | 145 | 120 | | 22 | 3 | | 8-φ18 | 232 | 690 |
| 80 | 310 | 195 | 160 | 135 | | 22 | 3 | | 8-φ18 | 232 | 715 |
| 100 | 350 | 230 | 190 | 160 | | 24 | 3 | | 8-φ23 | 232 | 770 |
| 125 | 400 | 270 | 220 | 188 | | 28 | 3 | | 8-φ25 | 283 | 780 |
| 150 | 480 | 300 | 250 | 218 | | 30 | 3 | | 8-φ25 | 283 | 810 |
| 200 | 600 | 360 | 310 | 278 | | 34 | 3 | | 12-φ25 | 283 | 967 |
| 250 | 622 | 425 | 370 | 332 | | 36 | 3 | | 12-φ30 | 283 | 1143 |
| 300 | 698 | 485 | 430 | 390 | | 40 | 4 | | 16-φ30 | 283 | 1292 |
| 4.0 | 50 | 230 | 160 | 125 | 100 | 88 | 20 | 3 | 4 | 4-φ18 | 185 | 645 |
| 65 | 290 | 180 | 145 | 120 | 110 | 22 | 3 | 4 | 8-φ18 | 232 | 690 |
| 80 | 310 | 195 | 160 | 135 | 121 | 22 | 3 | 4 | 8-φ18 | 232 | 715 |
| 100 | 350 | 230 | 190 | 160 | 150 | 24 | 3 | 4.5 | 8-φ23 | 232 | 770 |
| 125 | 400 | 270 | 220 | 188 | 176 | 28 | 3 | 4.5 | 8-φ25 | 283 | 782 |
| 150 | 480 | 300 | 250 | 218 | 204 | 30 | 3 | 4.5 | 8-φ25 | 283 | 875 |
| 200 | 600 | 375 | 320 | 282 | 260 | 38 | 3 | 4.5 | 12-φ30 | 283 | 1160 |