产品概述
NBKVGID系列电动高真空蝶阀采用回转型电动、电子调节式阀门驱动装置,可以通过外接电源的切换(用手动转位开关或电脑控制)或外部输入信号,来实现阀门开、关或中间位置的控制,从而达到接通或切断真空管路中气流的目的。阀门的阀板采用夹紧结构,把阀板的密封圈夹紧,除了能用在真空状态下,也能在低压状态下使用。
适用的工作介质为空气和非腐蚀性气体。
技术参数
| 公称通径mm | DN25~DN400 |
| 适用范围(Pa) | 2x105~1.3x10-5 |
| 阀门漏率(Pa.L/S) | ≤1.3x10-6 |
| 开闭时间(S) | DN≤63 20;80≤DN≤200 30; DN≥250 48 |
| 介质温度(℃) | -25~+80(密封材料为丁腈橡胶) -30~+150(密封材料为氟橡胶) |
| 法兰标准 | GB/T6070 |
| 安装位置 | 任意 |
| 控制电路 | 标准出厂:AC220V/50Hz开关型 特殊指定:AC380V;DC24V开关型 4~20mA DC |
| 信号反馈 | 标准出厂:带无源触点型 特殊指定:4~20mA DC调节型 |
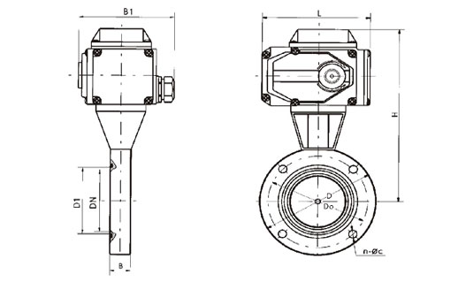
外形尺寸

| 型号 | DN | D | Do | D1 | B | H | B1 | L | n-φc |
| NBKVGID-40 | 40 | 85 | 70 | 44 | 22 | 183 | 139 | 157 | 4-φ7 |
| NBKVGID-50 | 50 | 110 | 90 | 55 | 22 | 195 | 139 | 157 | 4-φ7 |
| NBKVGID-65 | 65 | 125 | 105 | 70 | 26 | 203 | 139 | 157 | 4-φ9 |
| NBKVGID-80 | 80 | 145 | 125 | 85 | 30 | 213 | 139 | 157 | 4-φ9 |
| NBKVGID-100 | 100 | 170 | 145 | 105 | 30 | 231 | 139 | 157 | 4-φ12 |
| NBKVGID-150 | 150 | 220 | 195 | 156 | 35 | 251 | 139 | 157 | 8-φ12 |
| NBKVGID-200 | 200 | 275 | 250 | 208 | 40 | 315 | 147 | 207 | 8-φ12 |
| NBKVGID-250 | 250 | 330 | 300 | 258 | 45 | 343 | 147 | 207 | 8-φ14 |
| NBKVGID-300 | 300 | 380 | 350 | 308 | 55 | 368 | 147 | 207 | 8-φ14 |
| NBKVGID-400 | 400 | 500 | 465 | 408 | 60 | 451 | 182 | 256 | 8-φ18 |
| NBKVGID-500 | 500 | 600 | 565 | 510 | 80 | 535 | 182 | 280 | 12-φ18 |