首页
关于我们
产品展示
用户现场
新闻资讯
下载中心
质量中心
联系我们
微信扫一扫
销售热线
021- 51082626
周一至周六8:00~18:00
技术支持
021- 51028085
24小时节假日不休
产品系列
PRODUCT LIST
控制阀门系列
气动调节阀
气动球阀
气动蝶阀
气动阀门
自力式调节阀
电动调节阀
电动球阀
电动蝶阀
电动阀门
电站专用调节阀
电磁阀
流量仪表系列
手动阀门系列
球阀
蝶阀
闸阀
截止阀
止回阀
减压阀
过滤器
隔膜泵系列
气动隔膜泵
电动隔膜泵
隔膜泵配件
衬氟蝶阀
下一条:
焊接型蝶阀
上一条:
法兰硬密封蝶阀
产品概况
应用案例
产品概述
衬氟蝶阀具有耐高温,操作轻便,启闭无磨擦,关闭时随着传动机构的力矩增大来补偿密封,衬氟提高了蝶阀的密封性能及延长使用寿命的优点。
技术参数
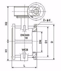
外形尺寸
产品概述
技术参数
安装示意图
现场案例
111
产品概述
衬氟蝶阀具有耐高温,操作轻便,启闭无磨擦,关闭时随着传动机构的力矩增大来补偿密封,衬氟提高了蝶阀的密封性能及延长使用寿命的优点。
技术参数
外形尺寸
声明:
本文中所有文字、数据、图片均只适用于参考,性能参数、结构尺寸参数、液动蝶阀价格等详情,请联系我们,电话:021-59170722!