产品概述
● 各种流体可以处理
● 弹簧式止回阀,吸入功率自强易安装。
● 聚四氟乙烯隔膜更耐用。
● 容易在远程控制,能与电磁阀连接
性能曲线

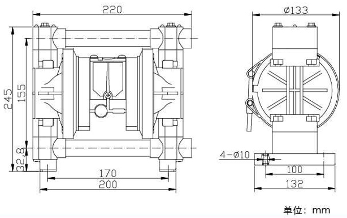
安装尺寸图

技术参数
最大工作压力 Max.working Pressu Re | 100psi(0.7Mpa ,7bar) |
最大流量 Max.flowRate | 7gpm(26.5lpm) |
最大往复速度 Max.reciprocating Speed | 330cpm |
最大虹吸高度 Max.suction Height (d Ry Sucking) | 3m |
最大输送固体颗粒 Max.permitted Grain | 1/16in.(1.6mm) |
最大空气消耗量 Max.air Consumption | 6.0scfm(0.17m3/min) |
空气进口尺寸 Air Inlet Size | 1/4in.npt(f) |
空气出口尺寸 Air Outlet Size | 1/4in.npt(f) |
流体进口尺寸 Fluid Inlet Size | 3/8in.npt(f) |
流体出口尺寸 Fluid Outlet Size | 3/8in.npt(f) |
重量 Weight | 聚丙烯泵PP pump 2.5kg |