产品概述
本公司隔膜泵共有六种规格。进出口尺寸分别为1/4″、1/2″、3/4″、1″、 1.5″、2″、3″、4″,流体部件材质有:铝合金、球墨铸铁、聚丙烯、不锈钢、隔膜根据不同膜片材质分别有:丁腈橡胶、氯丁橡胶、聚乙烯、三道橡胶、聚醚橡胶、氟橡胶、聚四氟乙烯、聚二氟乙烯。以满足不同液体介质的需要。
气动隔膜泵工作原理:在隔膜泵的两个对称工作腔中,各装有一块有弹性的隔膜,连杆将两块隔膜结成一体,压缩空气从泵的进气接头进入中间体后,推动两个工作腔内的隔膜,驱动连杆联结的隔膜同步运动。与此同时,另一工作腔中的气体则从其隔膜的背面排出泵外。当活塞达到行程终点,配气阀机构则自动的将压缩空气引入另一工作腔,推动隔膜泵朝反向运动,这样就形成了两个隔膜的同步往复运动。每个工作腔中又设置两个单向球阀,隔膜的往复运动,造成工作腔内容积的改变,迫使两个单向球阀交替的开启和关闭,从而使液体连续的吸入和排出。
性能曲线

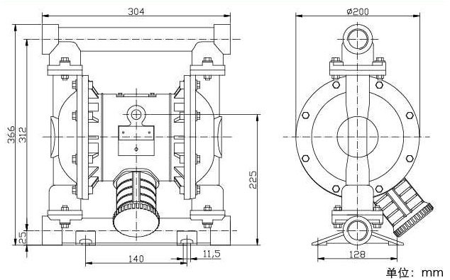
安装尺寸图

技术参数
最大工作压力 Max.workingPressuRe | 100psi(0.7Mpa,7bar) |
最大流量 Max.flowRate | 40gpm(150lpm) |
最大往复速度 Max.reciprocatingSpeed | 276cpm |
最大虹吸高度 Max.suctionHeight | 5m |
最大输送固体颗粒 Max.permittedGrain | 4mm |
最大空气消耗量 Max.aiRConsumption | 60scfm(1.7m3/min) |
空气进口尺寸 AirInletSize | 1/2in.npt(f) |
空气出口尺寸 AirOutletSize | 1/2in.npt(f) |
流体进口尺寸 FluidInletSize | 1in.npt |
流体出口尺寸 FluidOutletSize | 1in.npt(f) |
重量 Weight | 铝合金泵Aluminum pump 8.2kg 不锈钢泵Stainless steelpump15lg |