产品概述
体积小巧,流量可达340L/min
液体压力可达7bar
中心体部位有防腐蚀涂层
可靠的空气换向阀
性能曲线

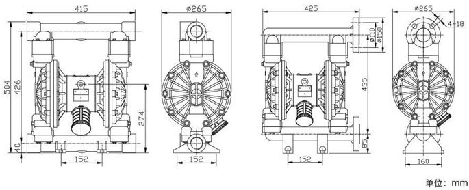
安装尺寸图

技术参数
| 最大工作压力 | 100psi(0.7Mpa,7bar) |
| 最大流量 | 90gpm(340lpm) |
| 最大往复速度 | 200cpm |
| 最大虹吸高度 | 5m |
| 最大输送固体颗粒 | 5mm |
| 最大空气消耗量 | 125scfm(3.5m3/min) |
| 空气进口尺寸 | 1/2in.npt(f) |
| 空气出口尺寸 | 1/2in.npt(f) |
| 流体进口尺寸 | 11/2in.npt(f) |
| 流体出口尺寸 | 11/2in.npt(f) |
| 重量 | PVDF pump 20.0kg 聚丙烯泵 PP pump16.0kg |