产品概述
流体压力可达100psi
先导式的空气阀,可在线维修,并无需打开内腔
环氧涂层可抵御恶劣的工作环境
性能曲线


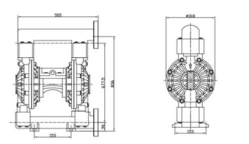
安装尺寸图

技术参数
| Max working pressure | 100psi(0.7Mpa,7bar) |
| Max flow rate | 150gpm(570 lpm) |
| Max reciprocating speed | 145cpm |
| Max suction height | 5m |
| Max permitted grain | 6mm |
| Max air consumption | 175scfm(4.9m3/min) |
| Air inlet size | 1/2in.npt(f) |
| Air outlet size | 1/2in.npt(f) |
| Fluid inlet size | 2in.npt(f) |
| Fluid outlet size | 2in.npt(f) |
| Weight | 28.0kg |