电动法兰截止阀产品简介:电动截止阀由电动执行机构和截止阀两部分组成。阀体材料品种齐全,填料、垫片可根据实际工况或用户要求合理选配,能适用于各种压力、温度及介质工况。阀在管路中主要用来做切断、分配和改变介质的流动方向,一般不做调节使用,因为调节时不平衡力太大,对阀芯的冲蚀比较厉害。适用给排水、石化、冶金等压力较高的场合。
电动法兰截止阀工作原理:
电动截止阀倒密封采用螺纹连接密封座或本体堆焊奥氏体不锈钢而成,密封可靠,更换填料可在不停机情况下进行,方便快捷,不影响系统运行。 配有多回转式电动装置,具有壳体小,重量轻,功能全,并可与远程电脑配套使用,也可按用户要求选配电动装置。电动截止阀适用于公称压力PN1.6~16MPa,工作温度-29~550℃的石油、化工、制药、化肥、电力行业等各种工况的管路上,切断或接通管路介质。
电动法兰截止阀产品特点:
☆阀杆开启或关闭行程相对较短,具有非常可靠的切断动作。
☆全开状态,阀座与阀瓣密封面这间不再有接触,密封面机械磨损较少。
☆可以安装在管道的任何位置上,介质从下往上流。
☆不锈钢截止阀适用于各类腐蚀性介质的管道上,有良好的防腐性和足够的强度。
☆合金钢截止阀适用于耐高温的蒸汽、油品管道上,具有耐高温特点。
电动法兰截止阀主要零件材料及主要用途:
| 阀体 | 阀盖 | 阀瓣 | 密封圈 | 阀杆 | 填料 | 适用介质 | 适用温度 (≤℃) |
| WCB | WCB+D507MO | D577 | 2Crl3 | 柔性石墨 | 水、油品、蒸汽 | 425 |
| ZGlCrl8Ni9Ti | 0Crl8Ni9Ti+ Stellite12 | Stellite6 | lCrl8Ni9Ti | PTFE | 硝酸类 | 200 |
| ZGlCrl8Ni2Mo2Ti | CF8M+ Stellite12 | lCrl8Ni2Mo2Ti | lCrl8Ni2Mo2Ti | PTFE | 磷酸类、 碱类、混酸 | 200 |
| ZG00Crl7Nil4M02 | CF3M+ Stellite12 | Stel1ite6 | 316L | PTFE | 磷酸类、 尿素、甲铵液 | 200 |
| ZGlCr5MO | ZGlCr5MO+ Stellite12 | Stel1ite6 | 25Cr2Mo1VA | 柔性石墨 | 水、油品、蒸汽 | 550 |
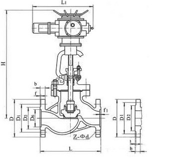
电动法兰截止阀主要外形尺寸、连接尺寸及质量

公称压力 PN(MPa) | 公称通径 DN(mm) | 标准值 | 参考值 |
| L | D | D1 | n2 | D6 | b | f | f1 | Z-φd | L1 | H | 质量(kg) |
| 1.6 | 50 | 230 | 160 | 125 | 100 | | 16 | 3 | | 4-φ18 | 590 | 645 | 48 |
| 65 | 290 | 180 | 145 | 120 | | 18 | 3 | | 4-φ18 | 590 | 690 | 60 |
| 80 | 310 | 195 | 160 | 135 | | 20 | 3 | | 8-φ18 | 590 | 715 | 65 |
| 100 | 350 | 215 | 180 | 155 | | 20 | 3 | | 8-φ18 | 590 | 770 | 71 |
| 125 | 400 | 254 | 210 | 185 | | 22 | 3 | | 8-φ18 | 590 | 780 | 119 |
| 150 | 480 | 280 | 240 | 210 | | 24 | 3 | | 8-φ23 | 590 | 810 | 210 |
| 200 | 600 | 335 | 295 | 265 | | 26 | 3 | | 12-φ23 | 810 | 967 | 320 |
| 250 | 622 | 405 | 355 | 320 | | 30 | 3 | | 12-φ25 | 810 | 1143 | 550 |
| 300 | 698 | 460 | 410 | 375 | | 30 | 4 | | 12-φ25 | 830 | 1292 | 785 |
| 2.5 | 50 | 230 | 160 | 125 | 100 | | 20 | 3 | | 4-φ18 | 590 | 645 | 50 |
| 65 | 290 | 180 | 145 | 120 | | 22 | 3 | | 8-φ18 | 590 | 690 | 65 |
| 80 | 310 | 195 | 160 | 135 | | 22 | 3 | | 8-φ18 | 590 | 715 | 67 |
| 100 | 350 | 230 | 190 | 160 | | 24 | 3 | | 8-φ23 | 590 | 770 | 73 |
| 125 | 400 | 270 | 220 | 188 | | 28 | 3 | | 8-φ25 | 590 | 780 | 127 |
| 150 | 480 | 300 | 250 | 218 | | 30 | 3 | | 8-φ25 | 810 | 810 | 215 |
| 200 | 600 | 360 | 310 | 278 | | 34 | 3 | | 12-φ25 | 810 | 967 | 322 |
| 250 | 622 | 425 | 370 | 332 | | 36 | 3 | | 12-φ30 | 830 | 1143 | 585 |
| 300 | 698 | 485 | 430 | 390 | | 40 | 4 | | 16-φ30 | 830 | 1292 | 795 |
| 4.0 | 50 | 230 | 160 | 125 | 100 | 88 | 20 | 3 | 4 | 4-φ18 | 590 | 645 | 61 |
| 65 | 290 | 180 | 145 | 120 | 110 | 22 | 3 | 4 | 8-φ18 | 590 | 690 | 75 |
| 80 | 310 | 195 | 160 | 135 | 121 | 22 | 3 | 4 | 8-φ18 | 590 | 715 | 84 |
| 100 | 350 | 230 | 190 | 160 | 150 | 24 | 3 | 4.5 | 8-φ23 | 590 | 770 | 101 |
| 125 | 400 | 270 | 220 | 188 | 176 | 28 | 3 | 4.5 | 8-φ25 | 810 | 782 | 207 |
| 150 | 480 | 300 | 250 | 218 | 204 | 30 | 3 | 4.5 | 8-φ25 | 810 | 875 | 226 |
| 200 | 600 | 375 | 320 | 282 | 260 | 38 | 3 | 4.5 | 12-φ30 | 810 | 1160 | 399 |
| 6.4 | 50 | 300 | 175 | 135 | 105 | 88 | 26 | 3 | 4 | 4-φ23 | 590 | 710 | 64 |
| 65 | 340 | 200 | 160 | 130 | 110 | 28 | 3 | 4 | 8-φ23 | 590 | 750 | 77 |
| 80 | 380 | 210 | 170 | 140 | 121 | 30 | 3 | 4 | 8-φ23 | 590 | 785 | 86 |
| 100 | 430 | 250 | 200 | 168 | 150 | 32 | 3 | 4.5 | 8-φ25 | 810 | 837 | 171 |
| 125 | 500 | 295 | 240 | 202 | 176 | 36 | 3 | 4.5 | 8-φ30 | 810 | 1031 | 243 |
| 150 | 550 | 340 | 280 | 240 | 204 | 38 | 3 | 4.5 | 8-φ34 | 830 | 1066 | 296 |
| 200 | 650 | 405 | 345 | 300 | 260 | 44 | 3 | 4.5 | 12-φ34 | 830 | 1213 | 420 |
| 10.0 | 50 | 300 | 195 | 145 | 112 | 88 | 28 | 3 | 4 | 4-φ25 | 590 | 714 | 81 |
| 65 | 340 | 220 | 170 | 138 | 110 | 32 | 3 | 4 | 8-φ25 | 590 | 734 | 102 |
| 80 | 380 | 230 | 180 | 148 | 121 | 34 | 3 | 4 | 8-φ30 | 810 | 847 | 175 |
| 100 | 430 | 265 | |