概述
电动通风蝶阀是一种低负载蝶阀。主要适用于对低压、介质的流量、压力控制。它是由偏平焊接阀体和电动执行机构二部分组成。该系列蝶阀具有结构简单、操纵方便、重量轻等特点。常用于大流量低压差的场合。广泛用于石油、化工、冶金、电站和轻工业等行业的自动化控制。
特点
该系列调节蝶阀的阀体采用钢板焊接加工而成。是一种重量轻、结构简单的蝶阀。
该阀阀体按其结构可分为两种,一种为开放型无阀座结构,因此泄漏量大。
另一种为后座型,它是在开放型的基础上增加了阀座,因而其泄漏量较大放性有较大改善。
阀盖型式分为标准型和外轴承型二种,标准型适用于DN500以下。外轴承型适用于DN600以上。执行机构采用3610执行机构。输出力大、动作平稳、可靠等优点。
阀体
型式扁平式焊接阀体
公称通径100、150、200、250、300、400、450、500、600、700、800、900、1000、1100、
1200、1300、1400mm
公称压力PN0.25、0.6、1.0、1.6MPa
ANSI 125#、150#
JIS 2k、5k、10k(JIS 2k仅限于450以上口径)
连接型式法兰连接:RF、FF
法兰标准:JB/79.1-94 ANSI B16.104
材料碳钢20、1Cr18Ni9、1Cr18Ni12Mo2Ti SS41、SUS304、SUS316
上阀盖标准型
填料柔性石墨-20~+450℃(碳钢阀体)
-40~+450℃(不锈钢阀体)
阀内组件
阀板形状中心旋转式(开放型—无阀座结构、后座型—有阀座结构)
阀板材质碳钢20、1Cr18Ni9、SS41、SUS304、SUS316
阀板转角60°、90°
轴材料2Cr13、1Cr18Ni9、1Cr18Ni12Mo2Ti
流量特性近似等百分比
执行机构
电动执行机构3410R执行机构(切断型)
电子式电动执行机构3610R系列执行机构(调节型)
智能型电动执行机构IWK系列执行机构(调节型、切断型)
供电电压220VAC 50Hz 380V (IWK)
电源接口2~PF1/2(普通型A、B、C型) 2~PF3/4(防爆型和普通D型)
控制信号调节型:4-20 mADC 1~5VDC
两位式:220VAC正反切换信号
阀作用型式电开或电关
性能
基本误差≤±1%
回差≤1%
死区1%
允许泄漏量≤1%×阀额定容量(开放型) ≤0.5%×阀额定容量(后座型)
结构特点
ZDRW型电子式电动普通蝶阀由电子式电动执行机构、连接支架和调节机构等部分组成。
工作原理
当执行机构的控制部分接受来自调节器的信号(输入信号4~2 0mA. DC或I~5V. DC)和来自开度检测部分的开度信号,将两信号比较并放大,向消除其差值的方向驱动和控制电机产生推力,通过连接来带动阀芯的移动,从而改变阀芯与阀座的流通面积,直到消除两部分的偏差,电机停止作,阀芯停止运动,以此来达到自动调节和切断的目的。
执行机构
电子式电动执行机构的详细结构说明请参阅执行器说明书。

3610R系列角行程电子式电动执行机构是高性能电动执行机构,机内有伺服系统,无
需另配伺服放大器,关键部件控制器采用先进的混合集成电路,并用树脂浇注固化,经老化处理,可靠性高、
防潮、防震。采用底座、曲柄方式安装时,曲柄零点的位置可在0~360℃内任意确定。此外,执行机构具有
过载保护、温度保护及力矩开关三项保护功能。

3810除具有3610系列伺服系统内装,无需另配,关键部件控制器采
用混合集成电路,并用树脂浇注固化老化,可靠性高、防潮、防震;具有过载保护、温度保护及力矩开关保护三项保护功能等特点外,在方便使用方面做了大量的改进。

作为一种角行程执行机构,QT系列电动执行
机构结构紧凑,即使安装在危险的作业环境中也能保证其高可靠性和品质。QT系列电动执行机构还能在输出转矩60NM~2500NM范围内提供合理的解决方案。
KWR系列电动执行机构采用以工业单片机为核心的控制模块,采用全树脂封装,结构紧凑、体
积小巧、防尘隔震功能好。可接收4~20mA.DC或1~5V.DC信号,对电动执行机构转角进行智能调
整和标定、抑制震荡,确保对电动阀门实现精确操作,同时输出4~20mA.DC反馈信号。
调节机构
主要由阀体、阀杆、球芯、阀座、填料压板等主要零部件组成。按作用方式分为电开、电关。当信号增加时,阀芯由关闭逐渐打开到全开位置为电开式;当信号增加时,阀芯由全开逐渐到全闭位置为电关式。

主要参数
| 公称通径(mm) | 80 | 100 | 125 | 150 | 200 | 250 | 300 | 350 | 400 | 450 | 500 |
流量系数 | 90° | 320 | 560 | 900 | 1280 | 2300 | 3500 | 5200 | 6800 | 9000 | 11000 | 14000 |
| 70° | 158 | 278 | 425 | 610 | 1040 | 1700 | 2480 | 3300 | 4350 | 5500 | 6800 |
| 公称通径(mm) | 600 | 700 | 800 | 900 | 1000 | 1200 | 1300 | 1500 | 1600 | 1800 | 2000 |
| 流量系数 | 90° | 20500 | 28000 | 36400 | 46000 | 57000 | 81000 | 95000 | 125000 | 155000 | 175000 | 210000 |
| 70° | 9800 | 14000 | 173000 | 23000 | 27000 | 39000 | 46000 | 61000 | | | |
| 额定行程 | 调节型:70°;两位型:90° |
| 公称压力 | 标准产品0.6、1.0、1.6MPa |
| 流量特性 | 近似等百分比 |
| 可调范围 | 70° 20:1:90° 30:1 |
| 作用形式 | 电开式、电关式 |
| 法兰标准 | 对夹式连接或符合JB78-59、JB79-59标准、可按JB/T79.1-94、JB/T79.2-94、ANSI、JIS、DIN等标准订货 |
注:公称压力、公称通径超出列表范围的产品可与本公司商洽解决
阀体、阀内件材料组合、工作温度及泄漏率
| 阀体材料 | 铸钢(ZG230-450)、不锈钢(ZG1Cr18Ni9Ti、316、316L)等 |
| 阀板材料 | 25#不锈钢(ZG1Cr18Ni9Ti、316、316L)等 |
| 填料材料 | 聚四氟乙烯、柔性石墨 |
| 密封形式 | 软密封 | 硬密封 |
| 密封材料 | 丁腈橡胶 | 氟橡胶 | 聚四氟乙烯 | 碳纤维强化聚四氟乙烯 | 25#、不锈钢 |
| 泄 漏 量 | IV级小于额定流量的10-4 | 小于额定流量的2% |
| 工作温度 | 铸钢阀体 | -5~80℃ | -5~200℃ | -5~200℃ | -5~200℃ | -5~400℃ | 耐高温合金可达1000℃ |
| 不锈钢阀体 | -20~80℃ | -20~200℃ | -20~200℃ | -20~200℃ | -20~600℃ |
※硬密封建议选用弹性硬密封式全功能阀代替;特殊材质要求请与本公司联系,可商洽解决。
流量特性曲线

最大允许压差
允许压差与执行机构配置等有关,订货时应注明工作压差,便于生产厂家确定配置。
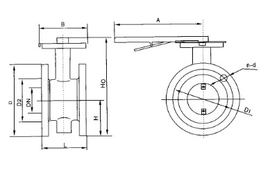
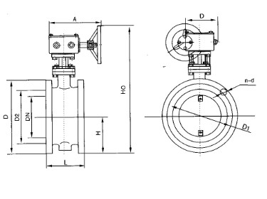
外形尺寸


连接尺寸
| 公称通径DN | 结构长度 (标准值) | 外形尺寸(参考值) | 连接尺寸(标准值) |
| 0.05MPa和0.25MPa | 0.6MPa |
| 毫米mm | L | H | H0 | D | D1 | n-d | D | D1 | n-d |
| 50 | 108 | 70 | 418 | 140 | 110 | 4-14 | 140 | 110 | 4-14 |
| 65 | 112 | 80 | 438 | 160 | 130 | 4-14 | 160 | 130 | 4-14 |
| 80 | 114 | 95 | 466 | 190 | 150 | 4-18 | 190 | 150 | 4-18 |
| 100 | 127 | 105 | 486 | 210 | 170 | 4-18 | 210 | 170 | 4-18 |
| 125 | 140 | 120 | 516 | 240 | 200 | 8-18 | 240 | 200 | 8-18 |
| 150 | 140 | 132 | 541 | 268 | 225 | 8-18 | 265 | 225 | 8-18 |
| 200 | 152 | 160 | 779 | 320 | 280 | 8-18 | 320 | 280 | 8-18 |
| 250 | 165 | 187 | 836 | 375 | 335 | 12-18 | 375 | 335 | 12-18 |
| 300 | 178 | 220 | 901 | 440 | 395 | 12-22 | 440 | 395 | 12-22 |
| 350 | 190 | 245 | 954 | 490 | 445 | 12-22 | 490 | 445 | 12-22 |
| 400 | 216 | 270 | 1003 | 540 | 495 | 16-22 | 540 | 495 | 16-22 |
| 450 | 222 | 297 | 1058 | 595 | 550 | 16-22 | 595 | 550 | 16-22 |
| 500 | 229 | 322 | 1111 | 645 | 600 | 20-22 | 645 | 600 | 20-22 |
| 600 | 267 | 377 | 1233 | 755 | 705 | 20-26 | 755 | 705 | 20-26 |
| 700 | 292 | 430 | 1338 | 860 | 810 | 24-26 | 860 | 810 | 24-26 |
| 800 | 318 | 487 | 1452 | 975 | 920 | 24-30 | 975 | 920 | 24-30 |
| 900 | 330 | 537 | 1588 | 1075 | 1020 | 24-30 | 1075 | 1020 | 24-30 |
| 1000 | 410 | 587 | 1689 | 1175 | 1120 | 28-30 | 1175 | 1120 | 28-30 |
| 1200 | 470 | 702 | 1938 | 1375 | 1320 | 32-30 | 1405 | 1340 | 32-33 |
| 1400 | 530 | 782 | 2670 | 1575 | 1520 | 36-30 | 1630 | 1560 | 36-36 |
| 1600 | 600 | 895 | 2810 | 1790 | 1730 | 40-30 | 1830 | 1760 | 40-36 |
| 1800 | 670 | 995 | 3020 | 1990 | 1930 | 44-30 | 2045 | 1970 | 44-39 |
| 2000 | 760 | 1095 | 3220 | 2190 | 2130 | 48-30 | 2265 | 2180 | 48-42 |