首页 关于我们 产品展示 用户现场 新闻资讯 下载中心 质量中心 联系我们
 
微信扫一扫

微信扫一扫

销售热线
021- 51082626
周一至周六8:00~18:00
技术支持
021- 51028085
24小时节假日不休
气动高真空蝶阀

下一条:气动衬氟蝶阀

上一条:气动卫生蝶阀

概  述

气动真空蝶阀,真空蝶阀加上气动执行器与电气阀门定位器配套,输入 4~20mADC信号及0.5~0.7Mpa气源即可控制运转,实现对压力、流量、温度、液位等参数的调节。GIQ-B型系列气动高真空蝶阀的气动执行器是以压缩空气为动力,通过电磁换向阀改变气路方向,推动活塞齿条、齿轮的机械运动,以角行程输出扭矩来驱动蝶阀,作启闭运动。从而达到接通或切断真空管路中气流的目的,分为双作用和单作用(弹簧复位)气缸。可选配反馈信号装置及电气阀门定位器。
适用的工作介质为空气及非腐蚀性气体

工作原理与结构

气动蝶阀由气动活塞式执行机构与真空蝶阀组合构成。

AT(GT)系列气动执行机构相同规格有双作用式、单作用式(弹簧复位);标准旋转轴角度可调节-5~+50范围;所有滑动部件采用塑料轴承衬套、导向,保持最小摩擦力,并有效地抵抗磨损;外壳表面阳极化电镀,防腐蚀保护;旋转轴镀硬质镍磷合金;螺丝、 螺母为不锈钢;单作用式弹簧预装在弹簧座内,很容易装配或增补弹簧数量;连接、安装接口标准化模块设计,方便配装蝶阀、信号盒及控制附件;可选择旋转方向顺时针旋转或逆时针旋转;两端调节螺丝可调节小于标定角度调整。特殊的腐蚀环境可采用不锈钢外壳。

主要技术性能

适用范围

(Pa)

2x105~1.3x10-5

阀门漏率

(Pa.L/S)

≤1.3x10-6

介质温度

(℃)

-25~+80(密封材料为丁腈橡胶)
-30~+150(密封材料为氟橡胶)

气源压力

(Mpa)

0.4~0.6

法兰标准

GB/T6070

安装位置

任意

电源电压

标准出厂:AC220V/50Hz
特殊指定:AC110V;DC24V;DC12V等

信号反馈

标准出厂:阀位指示器
特殊指定:微动开关;智能型4~20mA DC

气缸可选

标准出厂:双作用式
特殊指定:单作用式(有弹簧返回)
可选常开或常闭

 

电子式电动执行机构的详细结构说明请参阅执行器说明书。

主要零件材料

阀体、阀盖、阀杆:不锈钢
密封件:四氟乙烯、丁腈橡胶、氟橡胶、PPL。

执行器及附件

可配执行机构——GTD/GTE系列、AT系列、AW系列。  

可配附件——电磁阀、行程开关、空气过滤减压器、电/气阀门定位器、手轮等。  

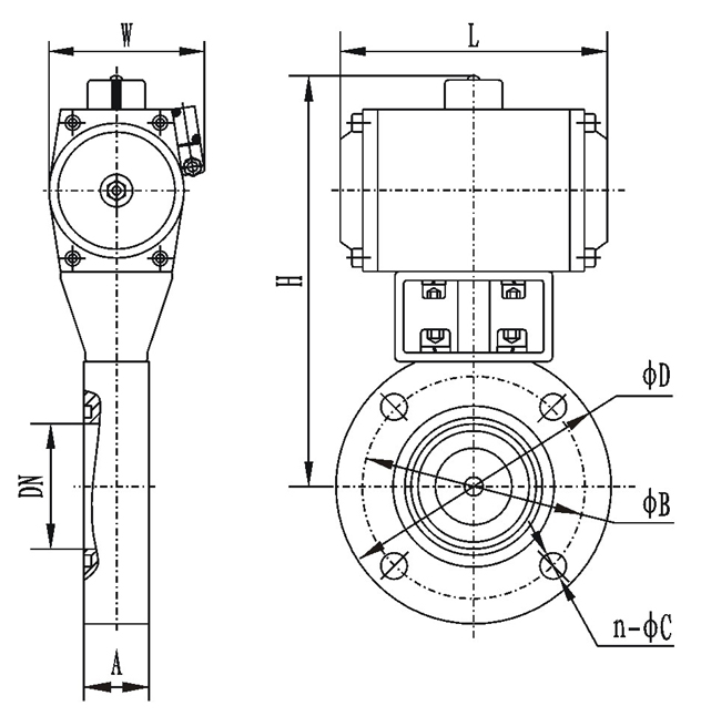
外形安装尺寸

 

 

型号

通径(DN)

ΦD

ΦB

H

A

L

W

n-ΦC

GIQ-50B

50

110

90

205

22

164

105

4-Φ9

GIQ-63B

63

130

110

218

26

 

GIQ-80B

80

145

125

248

30

190

124

GIQ-100B

100

170

145

260

4-Φ12

GIQ-125B

125

195

175

273

35

GIQ-150B

150

220

195

332

247

140

8-Φ12

GIQ-200B

200

275

250

386

40

302

165

GIQ-250B

250

330

300

466

45

372

198

GIQ-300B

300

380

350

535

55

432

225

8-Φ14

GIQ-400B

400

465

465

631

60

518

243

8-Φ18

注:GIQ-63B法兰连接为GB/T6070标准

使用和维护及故障排除方法

1、安装与使用

(1)气动蝶阀在安装使用之前,必须对阀门进行安装前的检查和开关运行试验。只有在运行动作正常的条件下,才能安装使用。

(2)气动蝶阀的安装要尽可能使阀门与管路法兰同心,并加支撑固定。不能使蝶阀受其它外力作用,以免损坏阀门的中密封及阀门变形。造成阀门开关不灵及阀门的损坏而无法使用。

(3)要保证气动蝶阀及气动元件所提供的动力气源必须是洁净,尽可能不带油污及水。清洁度应小于0.4微米。

(4)接入气源之前,必须清洁供气管路,气源接口和开关等器件,以防由于管路不清洁带上污物和泥沙冲入气动执行单元而造成故障。

(5)气动执行器、电磁阀、定位器、过滤器、减压阀等的连接,可用铜管或尼龙管,为以防防尘及减小噪声,排气口应安装消声器或消声节流阀。

(6)安装好以后,对气动阀门应进行试验,给气动执行器加压至额定值,压力为0.4~0.7mpa,对气动蝶阀进行开关试验,观察阀门的开闭情况。应转动灵活无卡阻现象。在开关如有卡阻现象可增高气压,反复开关使阀门调到开关灵活即可。

(7)安装调试开关型气动蝶阀时,先用手动装置进行(电磁阀上的手动按钮)调试、动作正常后在通电调试。

(8)气动蝶阀应定期进行维护保养阀杆转动处,应三个月加油(机油)一次。定期对气动执行单元和配合使用的空气过滤器进行放水、排污。正常的情况下六个月检查一次,每年检修一次。

2、故障分析与排除

常见故障

状态

故障产生原因

排除方法

电机不动作

电源没输入

接通电源

断线或接线脱落

改换电线或正确接好导线

电源电压不同、偏低

用仪器检查电压

电容器被击穿

更换电力电容

输入信号不同

更换输入信号选择

热保护动作(周围温度高,使用频率高)

降低周围温度,降低使用频率或灵敏度

手动操作费劲

内部产生异常

卸阀门检查

在自动调节

过程中停止

在过大负荷下超载起动

检查调节阀排除负载

热保护动作

检查调节阀排除负载

阀体进入异物

拆卸阀

不发开度信号

开度信号接线的接触不良或断开

检查开度信号接线的连接

开度信号达

不到全闭

电位器的安装不良

检查电位器安装情况

到达极限位置电机不停止转动

设定限位开关极限位置调整不良

重新调整

限位开关安装不良

重新安装

调节阀在任何

开度都震荡

支撑不稳

加固支撑

附近有震动源

采取减振、除振措施

调节阀

动作迟钝

阀体内有泥浆或粘性大的介质产生堵塞或结焦现象

洗阀体内腔

阀达不到

全闭位置

介质压差太大,执行机构输出力不够

加大输出压力

阀体内有异物

清除异物

关不严

球体冲翻

更换密封座

用作节流损坏了密封面

不允许作节流用

密封面被压坏

进行研刮修复

密封面无预紧压力

预压弹簧失效应更换

扳手、阀杆和球体三者连接处间隙大,扳手已到关闭位,而球体旋转角不足90度而产生泄漏

调整好限位块,消除扳手提前角,使

用球体正确开闭

阀座与本体接触面不光洁,磨损,O型圈损坏使阀座泄漏

提高光洁度,减少阀座拆御次数,O型圈定期更换

3、保养与维修

(1)要经常检查管道有没有铁锈、焊渣、脏物、尘士。

(2)气源绝对不能有故障。

(3)定期检修。

(4)长期停放时,接口都要用塑料塞堵上。

(5)当调节阀在使用中不能满足操作要求,或者经过一段长时期的运行为了预防事故发生而作定

(6)检查时,先将阀从管线卸下,清洗、拆卸、更换元件,重新组装测试后重新安装。  

运输与贮存

1、储运前检查各种标志是否完整、齐全、清晰、包装箱是否整齐牢固,无破损伤裂,最后检查钉箱包扎的可靠性和安全性。

2、运输时应轻装轻卸,严禁抛滑和撞击。

开箱与检查

1、产品运输到达用户后打开包装箱,小心搬运,打开即可安装使用。

2、包装箱内应有产品使用说明书、产品装箱单、产品合格证。

订货需知

1.产品型号与名称;

2.公称通径DN(mm);

3.公称压力;

4.连接方式及标准;

5.阀体材质;

6.额定流量系数;

7.介质种类和温度范围;

8.阀前、阀后压力;

9.气源压力及控制方式;

10.其它特殊要求;

11.建议用户安装空气过滤器和减压阀