气动法兰式硬密封蝶阀采用三偏心多层次金属密封结构,无机械磨损,可达到零泄漏,有优良的双向密封功能,是用于石油、化工、冶金、电力、食品、医药、给排水、气体输送等不同介质的管路上作调节流量。
选用不同的材质,可分别适用于水、污水、海水、空气、蒸汽、煤气、可燃气体、腐蚀性介质、油品及食品等介质,最高工作温度可达600℃。
一、产品特点及优点
气动三偏心蝶阀顾名思义,就是给蝶阀了做了三次偏心,这种设计工艺使得三偏心蝶阀拥有广泛的应用领域,它不仅具备了软密封蝶阀那样良好的密封性能,同时拥有硬密封蝶阀耐高温高压的特性。之所以拥有这些优点,得益于三偏心蝶阀独特的结构。
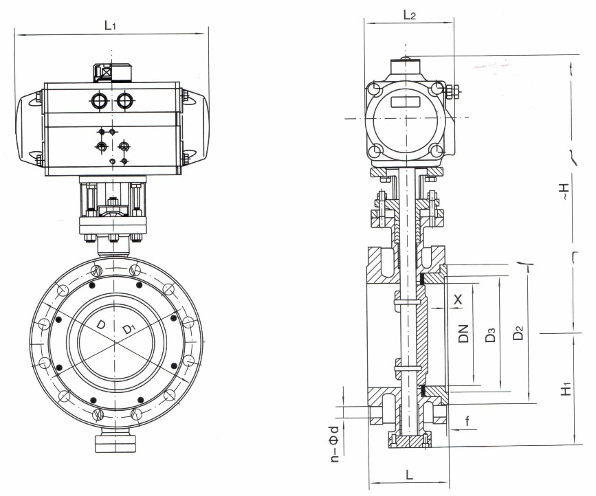
三偏心蝶阀结构图

三偏心蝶阀的三个三篇分别是指:
第1个偏心:阀轴位于阀板轴后面,使得密封能够完全紧密环绕接触整个阀座。
第2个偏心:阀轴中心线偏离管道和阀门中心线,这就免受阀门开启和关闭的干扰。
第3个偏心:阀座锥体轴偏离阀轴中心线,这样可以在关闭和开启过程中消除摩擦作用,并且实现环绕整个阀座的均匀一致的压缩密封效果。
三偏心蝶阀巧妙的把三偏心都放在了阀板上,在阀板的外边缘采用部分外球面结构。此结构需使用自行设计的简单夹具在数控机床上完成,外偏心球面经抛光 处理达到粗糙度Ra0.4,球面镀铬或堆司太莱合金,硬度达到HRC45~60。
把偏心角放在阀板上,阀座用压圈压在阀体上,解决了普通三偏心蝶阀加工中遇到的困难,阀体、阀板、阀座配对使用不能互换,损坏之后维修成本过高等一系列问题 ,且所有零件模块化,库房管理简单,加工简单、维修方便,降低备件成本。
三偏心蝶阀适合制作大口径阀门,可以广泛应用到石油的输送管道切断,冶金钢厂,煤气总管道调节、切断,化工冶炼装置介质调节切断,水处理设备进、出水调节切断,热电站的冷却水系统,天然气,碱液,海水、酸液等行业中
二、应用标准
1.质量保证:ISO9001
2.设计:参照GB12338,MSS-SP-68
3.结构体长度:参照GB12221-89
4.法兰标准:JB/T79.1-94;ANSI;JIS;DIN及其它标准
5.测试标准:GB/T4213-92,API598
三、工作原理
气动执行机构提供阀板开启和关闭所需的扭矩,所需供气压力为:400KPa-700KPa(最高1000KPa),供气压力增加,其输出力矩会增大。当需对阀门开度进行调节时,需配置定位器,此时输入信号(标准电信号4~20mA)变化时,通过定位器精确的控制性能,按照力平衡原理,使阀门动作并准确定位。如配用智能阀门定位器,则可接受现场总线信号。如配上阀位传送器,则可将阀门实际开度以电信号反馈回控制室。当需阀门执行开关两位功能时,需配置电磁阀,以它的通断来控制执行机构的进、排气孔工作,从而完成输出力矩转向且让阀门迅速打开或关闭。为了在断电或断气时阀门复位,可选用弹簧复位执行机构。为了使气源压力稳定,可以在执行机构之前加入减压阀,同时,为了在气源压力降低或发生故障时保持阀门位置,可以在执行机构之前加入锁止阀。为了将阀门在开、关位置状态以电信号反馈给控制室,可以在执行机构顶部加入限位开关。当系统出现故障时,可以使用手轮取代执行机构输出力矩让阀板转动。手动自动之间切换自如。
| 公称通径DN(mm) | 50-2000(DN800以上请与公司市场营销部或技术部联系) |
| 公称压力PN(Mpa) | 1.6 | 2.5 | 4.0 |
| 公称压力(Mpa) | 强度试验 | 2.4 | 3.75 | 6.0 |
| 密封试验 | 1.76 | 2.75 | 4.4 |
| 材料\材料代号 | C | P | R |
| 主要零件 | 阀体 | WCB | ZG1Cr18Ni9Ti | ZG0Cr18Ni12Mo2Ti |
| 蝶板 | WCB | ZG1Cr18Ni9Ti | ZG0Cr18Ni12Mo2Ti |
| 阀杆 | 2Cr13 | 1Cr18Ni9Ti | 0Cr18Ni12Mo2Ti |
| 密封圈 | 四氟 不锈钢 |
| 填料 | 四氟 柔性石墨 |
| 适用工况 | 适用介质 | 水、蒸汽、油品 | 硝酸类 | 醋酸类 |
| 适用温度 | 碳钢:-29℃~425℃不锈钢:-40℃~550℃ |
| 执行器 | 型号 | GT系列、AT系列、AW系列 |
| 气源压力 | 0.4-0.7Mpa |
额定CV值
DN阀门口径 | 50 | 80 | 100 | 125 | 150 | 200 | 250 | 300 | 350 | 400 | 450 | 500 | 600 |
60°开度 | 80 | 130 | 240 | 380 | 650 | 1130 | 1800 | 2510 | 3300 | 4280 | 5440 | 6760 | 9710 |
90°开度 | 160 | 265 | 490 | 770 | 1350 | 2350 | 3640 | 5020 | 6900 | 9030 | 11950 | 14000 | 2060 |
DN阀门口径 | 700 | 800 | 900 | 1000 | 1100 | 1200 | 1300 | 1400 | 1600 | 1800 | 2000 | 2400 | |
60°开度 | 13620 | 17890 | 22190 | 25990 | 32500 | 38800 | 45500 | 51400 | | | | | |
90°开度 | 27880 | 36540 | 44950 | 57630 | 67700 | 600 | 96600 | 109600 | | | | | |

主要外形及连接尺寸D643(H、Y、F)-16(1.6MPpa)主要外形及连接尺寸D643(H、Y、F)-16(1.6MPpa)
主要外形及连接尺寸D643(H、Y、F)-16(1.6MPpa)
主要外形及连接尺寸D643(H、Y、F)-16(1.6MPpa)
| 公称通径 DN | 外形尺寸 | 连接尺寸 | 执行器型号 |
| L | L1 | L2 | H | H1 | D | D1 | D2 | f | n-φd |
| 50 | 108 | 164/214 | 75/91 | 277/205 | 65 | 165 | 125 | 99 | 3 | 4-φ18 | GTD65/GTE80 |
| 65 | 112 | 164/214 | 75/91 | 287/315 | 75 | 185 | 145 | 118 | 3 | 4-φ18 | GTD65/GTE80 |
| 80 | 114 | 190/246 | 91/101 | 365/375 | 85 | 200 | 160 | 132 | 3 | 8-φ18 | GTD80/GTE90 |
| 100 | 127 | 210/295 | 101/112 | 420/436 | 130 | 220 | 180 | 156 | 3 | 8-φ18 | GTD90/GTE100 |
| 125 | 140 | 247/398 | 112/139 | 436/462 | 175 | 250 | 210 | 184 | 3 | 8-φ18 | GTD100/GTE125 |
| 150 | 140 | 308/478 | 139/176 | 466/543 | 190 | 285 | 240 | 211 | 3 | 8-φ22 | GTD125/GTE160 |
| 200 | 152 | 378/724 | 176/228 | 593/665 | 215 | 340 | 295 | 266 | 3 | 12-φ22 | GTD160/GTE210 |
| 250 | 165 | 432/928 | 206/275 | 682/752 | 265 | 405 | 355 | 319 | 3 | 12-φ26 | GTD190/GTE255 |
| 300 | 178 | 524/928 | 228/275 | 725/772 | 305 | 460 | 410 | 370 | 4 | 12-φ26 | GTD210/GTE255 |
| 350 | 190 | 648/1033 | 275/324 | 832/880 | 340 | 520 | 480 | 429 | 4 | 16-φ26 | GTD255/GTE300 |
| 400 | 216 | 648/1129 | 275/380 | 862/968 | 360 | 580 | 525 | 480 | 4 | 16-φ30 | GTD255/GTE350 |
| 450 | 222 | 715/1845 | 324/527 | 945/1005 | 400 | 640 | 585 | 548 | 4 | 20-φ30 | GTD300/AW28S |
| 500 | 229 | 795/1845 | 380/527 | 1058/1060 | 430 | 715 | 650 | 609 | 4 | 20-φ33 | GTD350/AW28S |
| 600 | 267 | 795/2605 | 380/545 | 1108/1195 | 490 | 840 | 770 | 720 | 5 | 20-φ36 | GTD350/AW35S |
| 700 | 292 | 1380/2605 | 1170/1255 | 1170/1255 | 555 | 910 | 840 | 794 | 5 | 24-φ36 | AW28/AW35S |
| 800 | 318 | 1860/2605 | 1325/1365 | 1325/1365 | 620 | 1025 | 950 | 901 | 5 | 24-φ39 | AW35/AW40S |
注:数据XXX/XXX分别是气动执行器双作用式/单作用式<弹簧复位>。
根据不同的阀门扭矩,使用介质选配,不同的执行器型号,其相关尺寸随之变化。
GT系列气动执行器可配至DN600,AW系列气动执行器可配蝶阀至DN200--1600。
主要外形及连接尺寸主要外形及连接尺寸D643(H、Y、F)-25(2.5MPpa)
公称通径 DN | 外形尺寸 | 连接尺寸 | 执行器型号 |
| L | L1 | L2 | H | H1 | D | D1 | D2 | f | n-φd |
| 50 | 108 | 164/214 | 75/91 | 277/305 | 65 | 165 | 125 | 99 | 3 | 4-φ18 | GTD65/GTE80 |
| 65 | 112 | 164/214 | 75/91 | 287/325 | 75 | 185 | 145 | 118 | 3 | 8-φ18 | GTD65/GTE90 |
| 80 | 114 | 190/295 | 91/112 | 365/391 | 85 | 200 | 160 | 132 | 3 | 8-φ18 | GTD80/GTE100 |
| 100 | 127 | 210/340 | 101/127 | 420/457 | 130 | 235 | 190 | 156 | 3 | 8-φ22 | GTD90/GTE115 |
| 125 | 140 | 247/395 | 112/139 | 436/462 | 175 | 270 | 220 | 184 | 3 | 8-φ26 | GTD100/GTE125 |
| 150 | 140 | 308/438 | 139/176 | 466/543 | 190 | 300 | 250 | 211 | 3 | 8-φ26 | GTD125/GTE160 |
| 200 | 152 | 378/724 | 176/228 | 593/665 | 215 | 360 | 310 | 274 | 3 | 12-φ26 | GTD160/GTE210 |
| 250 | 165 | 432/928 | 206/275 | 682/752 | 265 | 425 | 370 | 330 | 3 | 12-φ30 | GTD190/GTE255 |
| 300 | 178 | 524/1033 | 228/324 | 702/820 | 305 | 485 | 430 | 389 | 4 | 16-φ30 | GTD210/GTE300 |
| 350 | 190 | 648/1129 | 275/380 | 832/938 | 340 | 555 | 490 | 448 | 4 | 16-φ33 | GTD255/GTE350 |
| 400 | 216 | 715/1129 | 324/380 | 910/968 | 360 | 620 | 550 | 503 | 4 | 16-φ36 | GTD300/GTE350 |
| 450 | 222 | 795/1845 | 380/527 | 1005/1010 | 400 | 670 | 640 | 548 | 4 | 20-φ36 | GTD350/AW28S |
| 500 | 229 | 795/1845 | 380/527 | 1058/1065 | 430 | 730 | 660 | 609 | 4 | 20-φ36 | GTD350/AW28S |
| 600 | 267 | 1380/2605 | 507/545 | 1110/1195 | 490 | 845 | 770 | 770 | 4 | 20-φ39 | AW28/AW35S |
| 700 | 292 | 1860/2605 | 545/545 | 1255/1295 | 555 | 960 | 875 | 875 | 5 | 24-φ42 | AW28/AW40S |
| 800 | 318 | 1860/2605 | 545/545 | 1325/1365 | 1085 | 1085 | 990 | 990 | 5 | 24-φ48 | AW35/AW40S |
主要外形及连接尺寸D643(H、Y、F)-40(40MPpa)
公称通径 DN | 外形尺寸 | 连接尺寸 | 执行器型号 |
| L | L1 | L2 | H | H1 | D | D1 | D2 | f | n-φd |
| 50 | 108 | 164/214 | 75/91 | 277/305 | 65 | 165 | 125 | 99 | 3 | 4-φ18 | GTD65/GTE80 |
| 65 | 112 | 190/295 | 91/112 | 310/341 | 75 | 185 | 145 | 118 | 3 | 8-φ18 | GTD80/GTE100 |
| 80 | 114 | 210/340 | 106/127 | 375/412 | 85 | 200 | 160 | 132 | 3 | 8-φ18 | GTD90/GTE115 |
| 100 | 127 | 247/398 | 139/176 | 436/462 | 130 | 235 | 190 | 156 | 3 | 8-φ22 | GTD100/GTE125 |
| 125 | 140 | 308/478 | 176/228 | 13 | 175 | 270 | 220 | 184 | 3 | 8-φ26 | GTD125/GTE160 |
| 150 | 140 | 378/724 | 228/324 | 543/615 | 190 | 300 | 250 | 211 | 3 | 8-φ26 | GTD160/GTE210 |
| 200 | 152 | 524/1030 | 275/380 | 665/760 | 215 | 375 | 320 | 284 | 3 | 12-φ26 | GTD210/GTE300 |
| 250 | 165 | 648/1129 | 324/460 | 752/858 | 265 | 450 | 385 | 315 | 3 | 12-φ33 | GTD255/GTE350 |
| 300 | 178 | 715/1129 | 380/460 | 820/880 | 305 | 515 | 450 | 409 | 4 | 16-φ33 | GTD300/AW28S |
| 350 | 190 | 795/1845 | 460/545 | 938/940 | 340 | 580 | 610 | 465 | 4 | 16-φ36 | GTD350/AW28S |
| 400 | 216 | 715/1129 | 380/527 | 970/1055 | 360 | 660 | 585 | 535 | 4 | 16-φ39 | AW28/AW35S |
| 450 | 222 | 1380/2605 | 545/545 | 1005/1090 | 400 | 685 | 610 | 560 | 4 | 20-φ39 | AW28/AW35S |
| 500 | 229 | 1860/2605 | 545/545 | 1145/1185 | 430 | 755 | 670 | 615 | 4 | 20-φ42 | AW35/AW40S |
| 600 | 267 | 1860/2605 | 545/545 | 1195/1235 | 490 | 890 | 795 | 735 | 4 | 20-φ48 | AW35/AW40S |
主要外形及连接尺寸D673(H、Y、F)-16(1.6Mpa)
| 公称通径 DN | 外形尺寸 | 连接尺寸 | 执行器型号 * |
| L | L1 | L2 | H | H1 | D | D1 | n-φd |
| 50 | 43 | 164214 | 75/91 | 277/205 | 65 | 165 | 125 | 4-φ18 | GTD65/GTE80 |
| 65 | 46 | 164/214 | 75/91 | 287/315 | 75 | 185 | 145 | 4-φ18 | GTD65/GTE80 |
| 80 | 46 | 190/246 | 91/101 | 365/375 | 85 | 200 | 160 | 8-φ18 | GTD80/GTE90 |
| 100 | 52 | 210/295 | 101/112 | 420/436 | 130 | 220 | 180 | 8-φ18 | GTD90/GTE100 |
| 125 | 56 | 247/398 | 112/139 | 436/462 | 175 | 250 | 210 | 8-φ18 | GTD100/GTE125 |
| 150 | 56 | 308/478 | 139/176 | 466/543 | 190 | 285 | 240 | 8-φ22 | GTD125/GTE160 |
| 200 | 60 | 378/724 | 176/228 | 593/665 | 215 | 340 | 295 | 12-φ22 | GTD160/GTE210 |
| 250 | 68 | 432/928 | 206/275 | 682/752 | 265 | 405 | 355 | 12-φ26 | GTD190/GTE255 |
| 300 | 78 | 524/928 | 228/275 | 725/772 | 305 | 460 | 410 | 12-φ26 | GTD210/GTE255 |
| 350 | 78 | 648/1033 | 275/324 | 832/880 | 340 | 520 | 470 | 16-φ26 | GTD255/GTE300 |
| 400 | 102 | 648/1129 | 275/380 | 862/968 | 360 | 580 | 525 | 16-φ30 | GTD255/GTE350 |
| 450 | 114 | 715/1845 | 324/527 | 945/1005 | 400 | 640 | 585 | 20-φ30 | GTD300/AW28S |
| 500 | 127 | 795/1845 | 380/527 | 1058/1060 | 430 | 715 | 650 | 20-φ33 | GTD350/AW28S |
| 600 | 154 | 795/2605 | 380/545 | 1108/1195 | 490 | 840 | 770 | 20-φ36 | GTD350/AW35S |
| 700 | 165 | 1380/2605 | 527/545 | 1170/1255 | 555 | 910 | 840 | 24-φ36 | AW28/AW35S |
| 800 | 190 | 1860/2605 | 545/545 | 1325/1365 | 620 | 1025 | 950 | 24-φ39 | AW35/AW40S |
注:数据XXX,XXX分别是气动执行器双作用式/单作用式(弹簧复位)。
*根据不同的阀门扭矩、使用介质选配,不同的执行器型号.其相关尺寸随之变化。
GT系列气动执行器可配至DN600,AW系列气动执行器可配蝶阀至DN200~1600。
主要外形及连接尺寸D673(H、Y、F)-25(2.5Mpa)
| 公称通径 DN | 外形尺寸 | 连接尺寸 | 执行器型号 * |
| L | L1 | L2 | H | H1 | D | D1 | n-φd |
| 50 | 43 | 164/214 | 75/91 | 277/305 | 65 | 165 | 125 | 4-φ18 | GTD65/GTE80 |
| 65 | 46 | 164/214 | 75/91 | 287/325 | 75 | 185 | 145 | 8-φ18 | GTD65/GTE90 |
| 80 | 46 | 190/295 | 91/112 | 365/391 | 85 | 200 | 160 | 8-φ18 | GTD80/GTE100 |
| 100 | 52 | 210/340 | 101/127 | 420/457 | 130 | 235 | 190 | 8-φ22 | GTD90/GTE115 |
| 125 | 56 | 247/395 | 112/139 | 436/462 | 175 | 270 | 220 | 8-φ26 | GTD100/GTE125 |
| 150 | 56 | 308/438 | 139/176 | 466/543 | 190 | 300 | 250 | 8-φ26 | GTD125/GTE160 |
| 200 | 60 | 378/724 | 176/228 | 593/665 | 215 | 360 | 310 | 12-φ26 | GTD160/GTE210 |
| 250 | 68 | 432/928 | 206/275 | 682/752 | 265 | 425 | 370 | 12-φ30 | GTD190/GTE255 |
| 300 | 78 | 524/1033 | 228/324 | 702/820 | 305 | 485 | 430 | 16-φ30 | GTD210/GTE300 |
| 350 | 78 | 648/1129 | 275/380 | 832/938 | 340 | 555 | 490 | 16-φ33 | GTD255/GTE350 |
| 400 | 102 | 715/1129 | 324/380 | 910/968 | 360 | 620 | 550 | 16-φ36 | GTD300/GTE350 |
| 450 | 114 | 795/184 | 380/527 | 1005/1010 | 400 | 670 | 640 | 20-φ36 | GTD350/AW28S |
| 500 | 127 | 795/1845 | 280/527 | 1058/1065 | 430 | 730 | 660 | 20-φ36 | GTD350/AW28S |
| 600 | 154 | 1380/2605 | 507/545 | 1110/1195 | 490 | 845 | 770 | 20-φ39 | Aw28/AW35S |
| 700 | 165 | 1860/2605 | 545/545 | 1255/1295 | 555 | 960 | 875 | 24-φ42 | Aw35/AW40S |
| 800 | 190 | 1860/2605 | 545/545 | 1325/1365 | 620 | 1085 | 990 | 24-φ48 | AW35/AW40S |
主要外形及连接尺寸D673(H、Y、F)-40(4.0MPpa)
| 公称通径 DN | 外形尺寸, | 连接尺寸 | 执行器型号 * |
| L | L1 | L2 | H | H1 | D | D1 | n-φd |
| 50 | 43 | 164/214 | 75/91 | 277/305 | 65 | 165 | 125 | 4-φ18 | GTD65/GTE80 |
| 65 | 46 | 190/295 | 91/112 | 310/341 | 75 | 185 | 145 | 8-φ18 | GTD80/GTE100 |
| 80 | 46 | 210/340 | 106/127 | 375/412 | 85 | 200 | 160 | 8-φ18 | GTD90/GTE115 |
| 100 | 52 | 247/398 | 139/176 | 436/462 | 130 | 235 | 190 | 8-φ22 | GTD100/GTE125 |
| 125 | 56 | 308/478 | 176/228 | 462/513 | 175 | 270 | 220 | 8-φ26 | GTD125/GTE160 |
| 150 | 56 | 378/724 | 228/324 | 543/615 | 190 | 300 | 250 | 8-φ26 | GTD160/GTE210 |
| 200 | 60 | 524/1030 | 275/380 | 665/760 | 215 | 375 | 320 | 12-φ30 | GTD210/GTE300 |
| 250 | 68 | 648/1129 | 324/460 | 752/858 | 265 | 450 | 385 | 12-φ33 | GTD255/GTE350 |
| 300 | 78 | 715/1845 | 380/460 | 820/880 | 305 | 515 | 450 | 16-φ33 | GTD300/AW28S |
| 350 | 78 | 795/1845 | 460/545 | 938/940 | 340 | 580 | | | |
四、选购气动阀门需确定以下几个参数
产品名称:
产品型号:
公称压力:
公称通径:
阀体材质:
连接方式:
气动执行器系列:双作用往复式(二位开关式)或单作用弹簧复位式(常闭或常开式)
类型:双作用气缸,单作用气缸
电磁阀电源:AC220V、380V、110V,DC24V
防护类型:普通型、防爆型
附件(可多选):电磁阀、空气过滤减压阀、限位开关、手轮传动装置、电气阀门定位器
介质名称:
介质温度:
使用压力: