首页 关于我们 产品展示 用户现场 新闻资讯 下载中心 质量中心 联系我们
 
微信扫一扫

微信扫一扫

销售热线
021- 51082626
周一至周六8:00~18:00
技术支持
021- 51028085
24小时节假日不休
电动切断球阀

下一条:电动防爆球阀 上一条:已经没有了

电动O型球阀的主要特点是本身结构紧凑,密封可靠,结构简单,维修方便,密封面与球面常在闭合状态,不易被介质冲蚀,易于操作和维修,适用于水、溶剂、酸和天然气等一般工作介质;而且电动切断球阀还适用于工作条件恶劣的介质,如氧气、过氧化氢、甲烷和乙烯等,在各行业得到广泛的应用。

主要优点:

1.流体阻力小,全通径的球阀基本没有流阻。

2.结构简单、体积小、重量轻。

3.紧密可靠。它有两个密封面,而且目前球阀的密封面材料广泛使用各种塑料,密封性好,能实现完全密封。在真空系统中也已广泛使用。

4.操作方便,开闭迅速,从全开到全关只 要旋转90°,便于远距离的控制。

5.维修方便,球阀结构简单,密封圈一般都是活动的,拆卸更换都比较方便。

6.在全开或全闭时,球体和阀座的密封面与介质隔离,介质通过时,不会引起阀门密封面的侵蚀。

7.适用范围广,通径从小到几毫米,大到几米,从高真空至高压力都可应用。

8.由于球阀在启闭过程中有擦拭性,所以可用于带悬浮固体颗粒的介质中


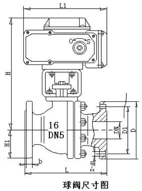
?阀体

型?式:直通铸造球型阀

公称通径:15、20、25、32、40、50、65、80、125、150、200、250、300mm(300以上请选用固定式球阀)

公称压力:PN1.6、2.5、4.0、6.4MPa

法兰标准:JB/T79.1-94、79.2-94等

材?料:铸钢(ZG230-450)、铸不锈钢(ZG1Cr18Ni9Ti、ZG1Cr18Ni12Mo2Ti)等

上?阀?盖:与阀体成一整体?-45~+400℃

压盖型式:螺栓压紧式

填?料:V型聚四氟乙烯填料、含浸聚四氟乙烯石棉填料、石棉纺织填料、石墨填料


?阀内组件

阀芯型式:球型阀芯

流量特性:快开特性

材?料:铸不锈钢(ZG1Cr18Ni9Ti、ZG1Cr18Ni12Mo2Ti)

额定行程:全开90°


■ 执行机构

型?式:KWR、3810R、QT 电子式电动执行机构

输入信号:开关量电压信号  4~20mA或1-5V·DC?

电源电压:220V/50Hz

环境温度:-25~+70℃


■ 阀作用型式

电关式(B)、电开式(K)

?

?