电动四通球阀概述:
1、流体阻力小:球体和阀体的连接管道截面相等,且球体通道采用圆弧连接,介质通过球体时,流体阻力小。
2、密封性能: 阀座采用具有一定弹性变形和高强度的PTFE材料,达到良好密封性能保证了阀门的稳定性。
3、使用寿命长:阀门的阀芯和光颈材料采用不锈钢,阀座材料选用PTFE,能达到良好的抗腐蚀性作用,延长了阀门使用寿命。
适用场景:
气动四通法兰球阀适用于各种轻重工业及楼宇管道.广泛应用于:化工、石化、石油、造纸、采矿、电力、液化气、食品、制药、给排水、市政、机械设备配套、电子工业,城建等领域。
零部件材料
阀体/阀盖 | GB | WCB | ZGlCrl8Ni9Ti | ZGOCfl8Nil2M02Ti |
| ASTM | WCB | CF8 | CF8M |
| 球体 | GB | 2Crl3 | 1Cfl8Ni9Ti | 0Cfl8Ni12M02Ti |
| ASTM | 420 | 304 | 316 |
阀杆 | GB | 2Crl3 | 1Crl8Ni9Ti | 0Crl8Ni12M02Ti |
| ASTM | 420 | 304 | 316 |
阀座 | GB | 聚四氟乙烯 | 对位聚苯 | 聚四氟乙烯 | 对位聚苯 | 聚四氟乙烯 | 对位聚苯 |
| ASTM | 聚四氟乙烯 | 对位聚苯 | 聚四氟乙烯 | 对位聚苯 | 聚四氟乙烯 | 对位聚苯 |
填料 | GB | 聚四氟乙烯 | 柔性石墨 | 聚四氟乙烯 | 柔性石墨 | 聚四氟乙烯 | 柔性石墨 |
| ASTM | 聚四氟乙烯 | 柔性石墨 | 聚四氟乙烯 | 柔性石墨 | 聚四氟乙烯 | 柔性石墨 |
螺栓 | GB | 35 | 0Crl8Ni9 | 0Crl8Ni9 |
| ASTM | A193B7 | A320-B8 | A320-B8 |
螺母 | GB | 45 | 0Cfl8Ni9 | 0Crl8Ni9 |
| ASTM | A1942H | A194-8 | A194-8 |
技术参数
| 阀体形阀体式 | 四通铸造阀体 |
| 公称通径 | DN15~300mm |
| 公称压力 | PN1.6、2.5、4.0 Mpa;ANSI 150、300LB;JIS 10、20、30K |
| 法兰标准 | JB/T79.2-1994、ASME/ANSI B165 |
| 连接形式 | 法兰式 |
| 压盖型式 | 压盖压紧式 |
| 密封填料 | V型聚四氟乙烯填料、柔性石墨填料等 |
| 设计和制造 | GB/T12237-1989;APl608 |
| 检验和试验 | GB/T13927-1992;Apl 598 |
| 执行器型号 | GT、AT、AR、AW系列单双作用气动执行器 |
执行器参数
| 执行器型号 | GT、AT、AR、AW系列单双作用气动执行器 |
| 供气压力 | 0.4~0.7MPa |
| 气源接口 | G1/4"、G1/8"、G3/8"、G1/2" |
| 环境温度 | -30~+70℃ |
| 作用形式 | 单作用执行机构:气关式(B)--失气时阀位开(FO);气开式(K)--失气时阀位关(FC) 双作用执行机构:气关式(B)--失气时阀位保持(FL);气开式(K)--失气时阀位保持(FL) |
| 可配附件 | 定位器、电磁阀、空气过滤减压器、保位阀、行程开关、阀位传送器、手轮机构等 |
性能规范
| 公称压力(Mpa) | 常温最大工作压力(Mpa) | 壳体试验压力(Mpa) | 气密封试验压力(Mpa) | 高压密封试验压力(Mpa) |
| PN1.6 | 1.6 | 2.4 | 0.6 | 1.76 |
| PN2.5 | 2.5 | 3.8 | 0.6 | 2.75 |
| PN4.0 | 4.0 | 6.0 | 0.6 | 4.4 |
| l50LB | 2.0 | 3.0 | 0.6 | 2.2 |
流向原理图

结构图

性能
阀座泄漏率:完全切断无泄漏
注:1、GTE为单作用执行机构,GTD为双作用执行机构。
2、GTD52型执行机构带手轮机构时,应增大一档为GTD65。
3、括号内选用的执行机构,适用于非润滑的干气介质及压差较大场合。
压力等级 | 试验压力(Mpa) |
公称压力(PN) | 磅级(Class) | 壳体试验 | 密封试验 |
1.0 | - | 1.5 | 1.1 |
1.6 | - | 2.5 | 1.76 |
2.5 | - | 3.8 | 2.75 |
4.0 | - | 6.0 | 4.4 |
- | 150 | 3.0 | 2.2 |
- | 300 | 7.6 | 5.6 |
- | 600 | 15.0 | 11.0 |
- | 10K | 2.4 | 1.5 |
- | 20K | 5.8 | 4.0 |
技术规范试验压力
设计依据 | 国标系列 | 美标系列 |
设计标准 | GB/T12237 | AP16D | ANSI B16.34 |
法兰连接结构长度 | GB/T12221 | AP16D | ANSI B16.10 |
结构长度(焊接) | GB/T15188.1 | AP16D | ANSI B16.10 |
连接法兰 | GB/T9113 JB/T79 Hg20592 | ANSI B16.5、B16.47 |
对焊端 | GB/T12224 | ANSI B16.25 |
试验和检验 | GB/T9092 | AP16D | AP1598 |
8、整机工作原理
当把手轮机构打到自动档的情况下,执行机构上的电磁阀接收到信号后,压缩空气进入活塞式执行机构气缸,从而推动活塞移动,活塞上的连杆带动执行机构主轴旋转,主轴上的连接套带动连接轴,阀杆,球芯旋转,使阀打开或关闭,从而完成对介质通、断的控制。在把手轮机构打到手动控制时,可以手动控制阀的开启、关闭和调节,当阀芯转到你所期望的开度时,手轮机构实现自锁。

?电磁阀:配二芯线一根
?限位开关:配四芯线一根
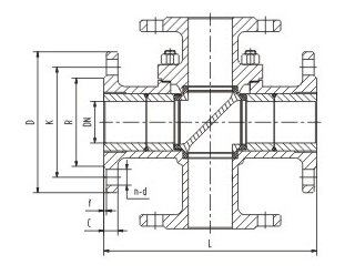
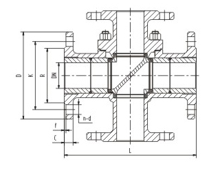
9、Q641气动球阀主要外形和连接尺寸(配GT系列气动执行器)

连接尺寸
| DN | L | D | K | R | C | f | n-d |
| 15 | 150 | 95 | 65 | 45 | 14 | 2 | 4-14 |
| 20 | 164 | 105 | 75 | 55 | 16 | 2 | 4-14 |
| 25 | 180 | 115 | 85 | 65 | 16 | 2 | 4-14 |
| 32 | 200 | 135 | 100 | 78 | 18 | 2 | 4-18 |
| 40 | 220 | 145 | 110 | 85 | 18 | 3 | 4-18 |
| 50 | 240 | 160 | 125 | 100 | 20 | 3 | 4-18 |
| 65 | 260 | 180 | 145 | 120 | 20 | 3 | 4-18 |
| 80 | 280 | 195 | 160 | 135 | 20 | 3 | 8-18 |
| 100 | 320 | 215 | 180 | 155 | 22 | 3 | 8-18 |
| 125 | 380 | 245 | 210 | 185 | 22 | 3 | 8-18 |
| 150 | 440 | 28 | 240 | 210 | 24 | 3 | 8-23 |
| 200 | 550 | 335 | 295 | 265 | 24 | 3 | 12-23 |
| 250 | 670 | 405 | 355 | 320 | 30 | 3 | 12-25 |
| 300 | 850 | 460 | 410 | 375 | 30 | 4 | 12-25 |
注:由于产品改进技术创新参数可能有一定变化,公司不另行通知,请咨询公司技术部门索取最新数据。
配GTE\GTD执行机构O型球阀外形尺寸图
●PN16主要外形和连接法兰尺寸
注:1、括号内为非润滑的干气介质及压差较大场合执行机构的尺寸。
2、系列球阀结构长度及连接法兰尺寸可根据JB78—59标准或用户要求设计制造。
3、根据不同阀门扭矩,使用不同介质,适配的执行器型号可能有所不同,相关尺寸随之变化。
10、可配附件
电磁阀、行程开关、空气过滤减压器、电/气阀门定位器等
11、订购须知
1.请在订货时提供详细口径规格、交货地地、交货时间。
2.根据管道需要,决定选用往复式(二位开关式)或弹簧复位式(常闭或常开式)。
3.可选配控制附件:(1)单电控电磁阀(断电进常闭或常开),(2)双电控电磁阀(开关式),
(3)阀位开关回讯器,(4)气源处理三联件。特殊使用环境(易燃易爆场合),何选防爆型。