首页 关于我们 产品展示 用户现场 新闻资讯 下载中心 质量中心 联系我们
 
微信扫一扫

微信扫一扫

销售热线
021- 51082626
周一至周六8:00~18:00
技术支持
021- 51028085
24小时节假日不休
NBQ15PVDF气动隔膜泵

产品概述

多端口设计易于安装
可外接电磁阀,便于遥控操作
启动迅速,自吸力强

性能曲线

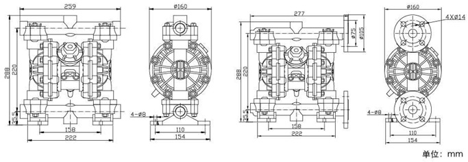
安装尺寸图

技术参数

  最大工作压力

  100psi(0.7Mpa,7bar)

  最大流量

  13.2gpm(50lpm)

  最大往复速度

  400cpm

  最大虹吸高度

  4m

  最大输送固体颗粒

  3/32in.(2.5mm)

  最大空气消耗量

  28scfm(0.672m³/min)

  空气进口尺寸

  1/4in.npt(f)

  空气出口尺寸

  1/4in.npt(f)

  流体进口尺寸

  1/2and3/4in.npt(f)orbspt(f)

  流体出口尺寸

  1/2and3/4in.npt(f)orbspt(f)

  重量

  PVDF pump 3.7kg
  聚丙烯泵PP pump 2.7kg