111
产品概述
多端口设计易于安装
可外接电磁阀,便于遥控操作
启动迅速,自吸力强
性能曲线

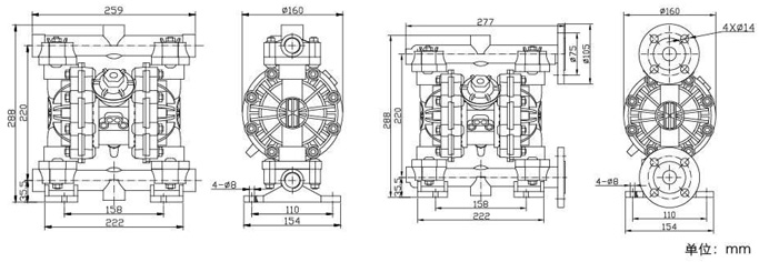
安装尺寸图

技术参数
| 最大工作压力 |
100psi(0.7Mpa,7bar) |
最大流量 |
13.2gpm(50lpm) |
最大往复速度 |
400cpm |
最大虹吸高度 |
4m |
最大输送固体颗粒 |
3/32in.(2.5mm) |
最大空气消耗量 |
28scfm(0.672m³/min) |
空气进口尺寸 |
1/4in.npt(f) |
空气出口尺寸 |
1/4in.npt(f) |
流体进口尺寸 |
1/2and3/4in.npt(f)orbspt(f) |
流体出口尺寸 |
1/2and3/4in.npt(f)orbspt(f) |
重量 |
PVDF pump 3.7kg
聚丙烯泵PP pump 2.7kg |
声明:本文中所有文字、数据、图片均只适用于参考,性能参数、结构尺寸参数、液动蝶阀价格等详情,请联系我们,电话:021-59170722!