产品概述
体积小巧,流量可达340L/min
液体压力可达7bar
中心体部位有防腐蚀涂层
可靠的空气换向阀
性能曲线

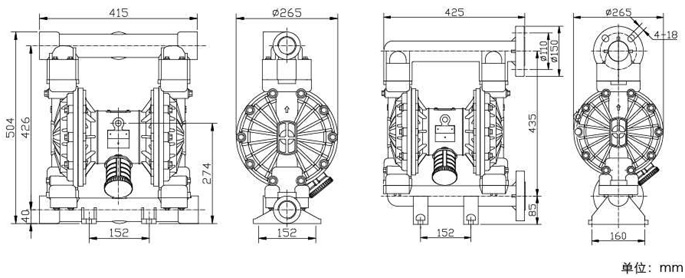
安装尺寸图

技术参数
最大工作压力 Max.working Pressu Re | 100psi(0.7Mpa ,7bar) |
最大流量 Max.flow Rate | 90 gpm(340 lpm) |
最大往复速度 Max.reciprocating Speed | 200cpm |
最大虹吸高度 Max.suction Height | 5m |
最大输送固体颗粒 Max.permitted Grain | 5mm |
最大空气消耗量 Max.ai R Consumption | 628scfm(3.5m3/min) |
空气进口尺寸 Air Inlet Size | 1/2 in.npt(f) |
空气出口尺寸 Air Outlet Size | 1/2 in.npt(f) |
流体进口尺寸 Fluid Inlet Size | 11/2 in.npt(f) |
流体出口尺寸 Fluid Outlet Size | 11/2 in.npt(f) |
重量 Weight | PVDF pump 20.0kg 聚丙烯泵PP pump 16.0kg |