产品概述
体积小巧,流量高达150L/min
液体压力可达7bar
中心体部分由防腐蚀涂层
可靠的空气换向阀
性能曲线


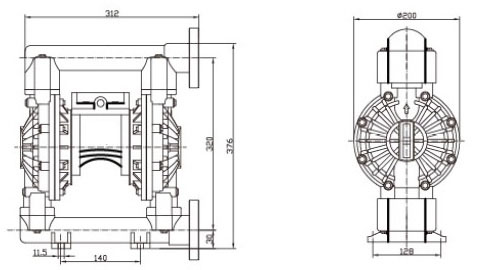
安装尺寸图

技术参数
| Max working pressure | 100psi(0.7Mpa,7bar) |
| Max flow rate | 40 gpm(150 lpm) |
| Max reciprocating speed | 276cpm |
| Max suction height | 5m |
| Max permitted grain | 4mm |
| Max air consumption | 60scfm(1.7m3/min) |
| Air inlet size | 1/2 in.npt(f) |
| Air outlet size | 1/2 in.npt(f) |
| Fluid inlet size | 1 in.npt(f) |
| Fluid outlet size | 1 in.npt(f) |
| Weight | 8.0kg |